产品展示
- 产品详情
- 销售热线:0755-27807607
Bussmann,一个拥有106年专业保险丝历史的品牌。它有超过13万种不同的保险丝,适用于多种应用。如这款170M保险丝,主要用于保护半导体。
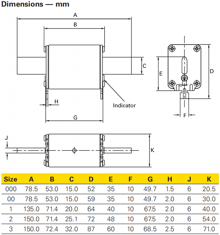
170M——方形主体尺寸000至3,DIN 43620,双指示保险丝690 Vac(IEC),700 Vac(UL),10至1600 A
评分
• Volts
• 690 Vac (IEC)
• 700 Vac (UL)
• Amps 10-1600 A
• IR 200 kA RMS Sym.
操作类别
• gR (size 000, 10-63 A)
• aR (others)
机构信息
•根据IEC 60269第4部分进行设计和测试
• UL Recognized, JFHR2, E125085
• CSA 1422-30级(53787),目录号170M4867D除外
• CE

交叉引用:
| Bussmann | Ferraz | Siemens |
| 170M1564 | * | * |
类似产品(相同电压、相同电流、不同安装方式)
| 保险丝 # | 描述 | 图像 |
| 170M1558 | Bussmann FUSE 50A 690V gR DIN 000 HSDNH | |
| 170M1564 | Bussmann FUSE 50A 690V gR DIN 000 HSDNH | |
| 170M1570 | Bussmann FUSE 50A 690V gR DIN 000 HSDNH |
同系列保险丝:
| 保险丝型号 | 保险丝描述 |
| 170M1558 | Bussmann FUSE 10A 690V gR DIN 000 HSDNH |
| 170M1559 | Bussmann FUSE 16A 690V gR DIN 000 HSDNH |
| 170M1560 | Bussmann FUSE 20A 690V gR DIN 000 HSDNH |
| 170M1561 | Bussmann FUSE 25A 690V gR DIN 000 HSDNH |
| 170M1562 | Bussmann FUSE 32A 690V gR DIN 000 HSDNH |
| 170M1563 | Bussmann FUSE 40A 690V gR DIN 000 HSDNH |
| 170M1564 | Bussmann FUSE 50A 690V gR DIN 000 HSDNH |
| 170M1565 | Bussmann FUSE 63A 690V gR DIN 000 HSDNH |
| 170M1566 | Bussmann FUSE 80A 690V gR DIN 000 HSDNH |
| 170M1567 | Bussmann FUSE 100A 690V gR DIN 000 HSDNH |
| 170M1568 | Bussmann FUSE 125A 690V gR DIN 000 HSDNH |
| 170M1569 | Bussmann FUSE 160A 690V gR DIN 000 HSDNH |
| 170M1570 | Bussmann FUSE 200A 690V gR DIN 000 HSDNH |
| 170M1571 | Bussmann FUSE 250A 690V gR DIN 000 HSDNH |




