产品展示
- 产品详情
- 销售热线:0755-27807607
Bussmann,一个拥有106年专业熔断历史的品牌。它有超过130000种不同的保险丝,用于多种应用。如这种170M保险丝,主要用于保护半导体。
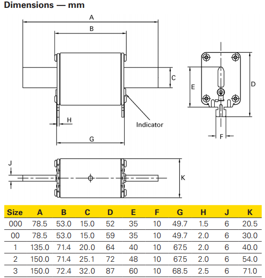
170M-方形主体尺寸000至3,DIN 43620,双指示器保险丝
690 Vac(IEC)、700 Vac(UL)、10至1600 A
额定值
•电压
•690 Vac(IEC)
•700 Vac(UL)
•电流10-1600 A
•IR 200 kA RMS系统。
操作等级
•gR(尺寸000,10-63 A)
•aR(其他)
机构信息
•根据IEC 60269第4部分设计和测试
•UL认证,JFHR2,E125085
•CSA 1422-30级(53787),目录号170M4867D除外
•CE

170M3816datasheet_Bussmann_ABPower.pdf




