产品展示
- 产品详情
- 销售热线:0755-27807607
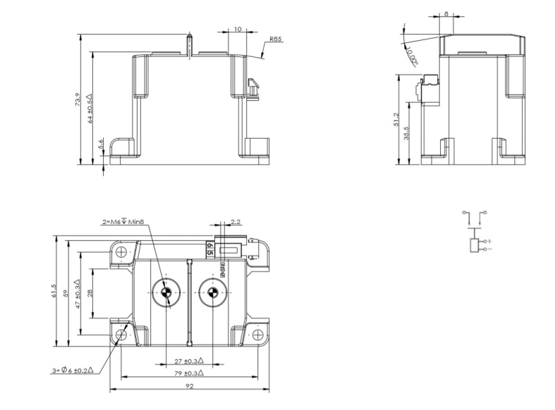
1. 零件编号名称

2, 技术参数
参数 | EVC-A - 300S |
主触头 | |
单极单掷-常开 | |
12-750VDC | |
额定电流 | 300A |
短时耐受电流 | 3,600 sec. 450A,1,200 sec. 600A, 60 sec.900A |
(see 5, curve) | |
操作时间,23℃ | |
打烊时间 | ≤ 30ms |
发布时间 | ≤ 10ms |
最小连续性负载 | 1A 12VDC |
最大开断电流 | 2,500A 450VDC 1 time |
接触电阻(额定电流下,初始值) | <0.4mΩ |
电气性能 | |
300A 450VDC 3,000 times | |
电气寿命 | 300A 750VDC 1,000 times |
关闭过载 | 400A 800VDC 20 times |
绝缘电阻 | >1,000MΩ(1,000VDC) (After the life test: 50 MΩ) |
绝缘耐压(触点之间、触点之间触点和线圈) | 2,500VAC,1 min.(leakage current ≤ 1mA) |
机械性能 | |
抗冲击故障 | 半正弦波,11ms,196m/s² |
抗冲击破坏 | 半正弦波,6ms,490m/s² |
随机振动 | 10-2,000Hz,57.9m/s² |
机械寿命 | 200,000 times |
重量 | 约750克 |
环境要求 | |
环境工作温度范围 | -40℃~+85℃ |
湿度范围 | 5%~95%RH |
3. 线圈参数
参数 | EVC-AS-300S | EVC-AT-300S |
线圈系列号 | S | T |
线圈工作电压 | 12VDC | 24VDC |
线圈电压(最大) | 16VDC | 32VDC |
工作电压,25°C(最大) | 9VDC | 18VDC |
释放电压,25°C(最低) | 1.2VDC | 2.4VDC |
最大输入涌流(100ms) | 2.8A | 1.4A |
保持工作电流(25°C) | 0.36A | 0.18A |
线圈功率损失(25°C) | ||
起动功率 | 35W | 35W |
保有政权 | 4.5W | 4.5W |
拾取电压,85℃(最大) | 9.6V | 19.2V |
4, 绘图

5, 接触器交叉引用
TE交叉编号:V23720




