产品展示
- 产品详情
- 销售热线:0755-27807607
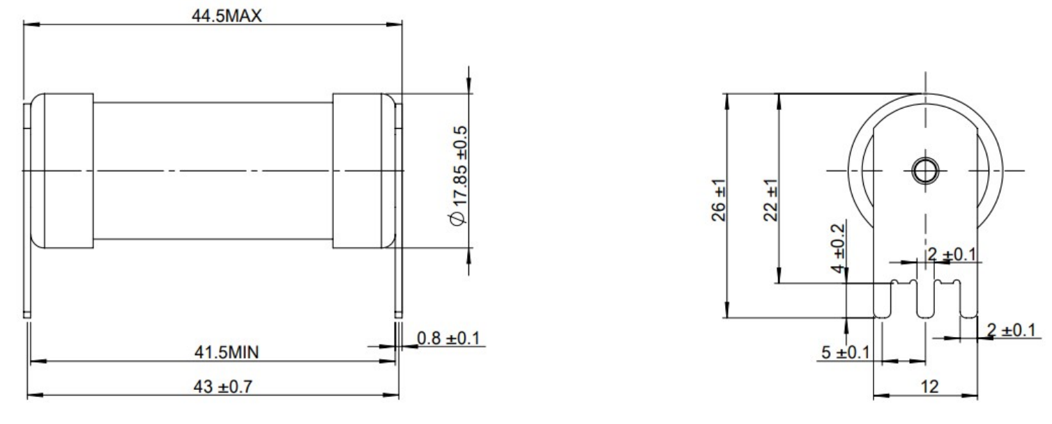
巴斯曼直流保险丝-H75ESS-100-PCB/B(750 Vdc)
Bussmann储能保险丝安装在PCB上最大限度地节省空间
使设计更简单、更方便超大电流和功率,节省整个设备的成本。
储能行业市场已进入红海,各集成商纷纷出台相应的降成本计划
逐渐投入市场。为了与市场合作,提高效率,Bussmann推出了一款新的
设计符合市场趋势的解决方案,为未来的清洁能源做出应有的贡献

| 零件号 | 电压 | 电流 | 预处理I2t | 总计(A2秒) | 功率损失 | 功率损失 | 功率 |
| ing(V) | ing(A) | (A2s) | atIn(W) | at0.8xIn(W) | 0.5xIn(W) | ||
| H75ESS-100-PCB(-B) | 750Vdc | 100 | 2,500 | 9,700 | 30 | 17 | 6 |
| H75ESS-90-PCB(-B) | 90 | 1,800 | 7,200 | 19 | 11 | 4 | |
| H75ESS-80-PCB(-B) | 80 | 1,400 | 5,600 | 17 | 10 | 3 | |
| H75ESS-70-PCB(-B) | 70 | 1,000 | 3,800 | 16 | 9 | 3 | |
| H75ESS-60-PCB(-B) | 60 | 610 | 2,500 | 15 | 9 | 3 | |
| H75ESS-50-PCB(-B) | 50 | 350 | 1,400 | 14 | 8 | 3 | |
| H75ESS-45-PCB(-B) | 45 | 260 | 1,100 | 13 | 7 | 2 | |
| H75ESS-40-PCB(-B) | 40 | 210 | 900 | 11 | 6 | 2 | |
| H75ESS-35-PCB(-B) | 35 | 150 | 600 | 11 | 6 | 2 | |
| H75ESS-30-PCB(-B) | 30 | 90 | 400 | 10 | 6 | 2 | |
| H75ESS-25-PCB(-B) | 25 | 60 | 300 | 9 | 5 | 2 |






